M Plan APO HR 10X
Descripción
M Plan APO HR 10X
Número de artículo: 378-788-4
Características
-
-
- Modelo: M Plan Apo HR 10X
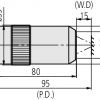
- N.A.: 0.42
- W.D. [mm]: 15
- f<br />[mm]: 20
- P.D. [mm]: 95
- R: 0.7
- Campo de visión 1: ø2.4
- Campo de visión 2: 0,48x0,64
- Peso: 460 g
- Abreviaciones en tabla del producto:
- N.A. : Apertura numérica
- W.D. : Distancia de trabajo
- f : Distancia focal
- R : Resolución
- D.F. : Profundidad de enfoque
- F.O.V. 1 : Campo de visión con el empleo de ocular ø24 mm
- F.O.V. 2 : Campo de visión con el empleo de cámara CCD 1/2"
- Funciones:
- M Plan Apo HR para la Observación del Campo Brillante
- Compatible con los modelos de microscopios VMU / FS-70 / MF-U / Hyper MF-U
-









